¿ËÈÕ£¬£¬£¬×ðÁú¿Ê±ÓëijÁúÍ·»·±£ÆóÒµÔÙ´ÎÇ£ÊÖ£¬£¬£¬ÅäºÏÖúÁ¦Ä³¸ÖÌú¼¯ÍÅÁ¶Ìú³§1#2#3#ÉÕ½á»úÑÌÆøÑ»·ÏîÄ¿¡£¡£¡£¸ÃÏîÄ¿ÊǼÌ×ðÁú¿Ê±ÀÖ³ÉʵÑéºÓ±±Ä³¸ÖÌúÆóÒµÉÕ½á»úÑÌÆøÑ»·¼°ÓàÈȽÓÄÉʹÓÃÏîÄ¿ºóµÄÓÖÒ»ÁÁµã¹¤³Ì¡£¡£¡£
ÉÕ½áÑÌÆøÄÚÑ»·¼¼ÊõÊÇʹÓò¿·ÖÉÕ½á´óÑ̵ÀÑÌÆø£¬£¬£¬¾³ý³¾µÈ´¦Öóͷ£ºó£¬£¬£¬ÑÌÆø·µ»ØÖÁÉÕ½á»úÁÏÃæ£¬£¬£¬Ñ»·Ê¹Óᣡ£¡£ÏîĿˢкóµÄÑÌÆøÑ»·Á¿¿ÉµÖ´ïÔÉÕ½áÑÌÓîÁ¿µÄ30%£¬£¬£¬ÉÕ½áÑÌÆøºóÐøÍÑÁòÍÑÏõ´¦Öóͷ£Á¿ºÍ´¦Öóͷ£Óöȴó´ó½µµÍ¡£¡£¡£±¾ÏîÄ¿½¨³Éºó£¬£¬£¬Ã¿Äêÿ¶ÖÉÕ½á¿ó¿É½ÚÔ¼±ê׼úԼ2-3ǧ¿Ë£¬£¬£¬½µµÍÉÕ½áÑÌÆøÍÑÁòÍÑÏõ´¦Öóͷ£ÔËÐзÑÔ¼25%-30%¡£¡£¡£

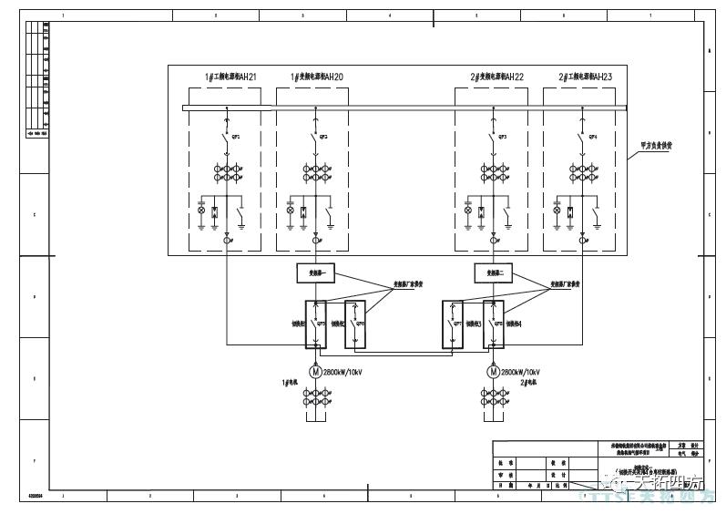
Á¬Ïµ¿Í»§µÄÏÖÕæÏàÐΣ¬£¬£¬×ðÁú¿Ê±Îª¸ÃÏîÄ¿ÅäÌ×6Ì×Î÷ÃÅ×ÓGH180ÍêÃÀÎÞг²¨ÖÐѹ±äƵװ±¸£¬£¬£¬Ã¿Ì¨»ú×é½ÓÄɶþÍ϶þ¼Æ»®£¬£¬£¬³ä·Ö˼Á¿ÁËµçÆøÏµÍ³ÎÞÓÇÇл»µÄ¿É¿¿ÐÔºÍʹÓÃÂÊ£¬£¬£¬ÉèÖÃÁ½Â·½øÏߣ¬£¬£¬±äƵ»¥Îª±¸Ó㬣¬£¬ÏµÍ³ÎÞÓÇÇл»¡£¡£¡£½ÓÄÉ12Ãæ×Ô¶¯ÅÔ·¹ñʵÏÖ±¾ÏµÍ³µÄ¶þÍ϶þÉèÖüƻ®£¬£¬£¬Ã¿×é4̨ÅÔ·¹ñ£¬£¬£¬¹²3×飬£¬£¬¶ÔÓ¦1#2#3#ÉÕ½á»ú×飻£»£»£»6×éÖÐѹ±äƵÅäÌ׿ÕË®Àäϵͳ£¬£¬£¬ÒÔ¼°Èô¸É±¸¼þ¡£¡£¡£Ïê¼ûÏÂͼ£º

?SINAMICSÍêÃÀÎÞг²¨GH180±äƵÆ÷×÷Ϊһ¿î¾µäµÄÖÐѹ¼¶ÁªÍØÆË½á¹¹±äƵװÖ㬣¬£¬Ó¦ÓÃÆÕ±é£¬£¬£¬Êг¡ÈϿɶȽϸߡ£¡£¡£ÏÖÔÚÒÑÀÖ³ÉÓ¦ÓÃÔÚµçÁ¦¡¢Ê¯ÓÍ¡¢»¯¹¤¡¢²É¿ó¡¢Ò±½ð¡¢ÊÐÕþµÈÖÖÖÖ¹¤ÒµÐÐÒµ£¬£¬£¬×ÊÖúÓû§ÏÔÖøÌá¸ßÉú²úÂÊ¡¢ÔöÇ¿ÄÜԴʹÓÃÂʺͽµµÍÔËÐб¾Ç®¡£¡£¡£Æä¸ß¿É¿¿ÐÔ¡¢¸ß¾«¶È¡¢³¤Ê¹ÓÃÊÙÃüµÄ±äƵӦÓÃÖ®Ê×Ñ¡¡£¡£¡£
ÈçÐèÏàʶ¸ü¶àÐÐÒµ½â¾ö¼Æ»®£¬£¬£¬¿É²¦´ò×ðÁú¿Ê±¿Í»§ÈÈÏß400-696-5700£¬£¬£¬»¶Ó×Éѯ£¡